热线服务电话: 0510-88221152
 
 
 
 
. 平车系列
. 焊接操作机系列
. 焊接滚轮架系列
. 焊接变位机系列
 
 
联系我们
无锡市昊睿传动机械有限公司
地址: 无锡市惠山区阳山工业园恒通西路7号
联系人: 龚先生
手机: 13255215999
电话: 0510-88221152
传真: 0510-88227292
网址: www.haoruipc.com
产品中心 PRODUCTS
您当前位置 >> 产品中心
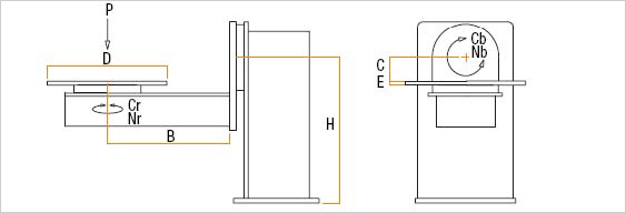
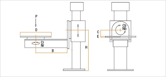
L型变位机
  L型焊接变位机可使工件上平行回转主轴的焊缝变位到船形焊位置,其他焊缝变位到平焊位置,适用于复杂和特殊形状构件的焊接,并可配合自动化焊接。
承载能力从100Kg-10吨
分三种机型:固定式,升降式,C型
适用于所有需要升降或旋转的生产过程。应用领域几乎是无限的。
应用效益
简单,快捷,方便
便于移动,产品灵活。
自动锁定系统
超薄,节省空间
非常方便
处理迅速(运输)
只需要一个人调节和控制
工作安全,代替了起重机和叉车的风险操作
降低生产成本
可根据客户要求进行特殊调整
提高员工的工效
结构
设计精良,模块化焊接结构。所有部件均寿命长,稳定,均可在无干扰的车间进行日常工作。为了达到此要求,我们所使用的部件均是从专业供应商购买。
系统优势
在商业或铁路运输的升降技术领域应用了40多年,该自动锁定系统和电机SCHROEDER®主轴系统同样应用于我们的系统。它不需阻塞或刹车机器,停止或降低阀门、铁链和棘轮。原波纹管保护完整的主轴系统,具有防潮防水防尘防污功能。SCHROEDER®快速检查系统使操作者能够在几秒钟时间内实现现状测试。
可选择
单或双设计
230伏的插座
手动操作(有线或无线)
专业公司的焊接设备(焊接电流反馈,耐焊波纹管)
编程控制/定位旋转/升降(可编程)
PLC(西门子) 可与现场生产连接。
配件
旋转轴上的长度调节底盘
接收框
适配器
充电用的车厢
剪刀式升降机
撑架
技术参数:

PL


Cb 
daN*m 

Nb 
min-1 

Cr 
daN*m 

Nr 
min-1 


mm 


mm 


mm 


mm 


mm 

PL-A5
0.10
-
-
5
6.50
310
20
235
-
360
PL-B5
0.65
180
1.20
70
3.00
750
25
750
150
900
PL-C5
1.25
450
1.00
120
1.80
800
25
900
250
1000
PL-D5
2.5
600
0.80
250
1.50
900
25
1100
275
1120
PL-E5
4
900
0.70
400
1.20
980
30
1250
300
1250
PL-F5
6.3
1500
0.60
600
0.90
1150
30
1400
325
1450
PL-G5
10
2400
0.50
900
0.60
1300
40
1600
350
1600
技术参数:

PLE 

P

Cb 
daN*m 

Nb 
min-1 

Cr 
daN*m 

Nr 
min-1 


m*min-1 


mm 


mm 


mm 


mm 


min mm 

H
max mm 

PLE-C5
1.25
450
1.00
120
1.80
2.00
800
25
900
250
750
1800
PLE-D5
2.5
600
0.80
250
1.50
2.00
900
25
1100
275
800
1900
PLE-E5
4
900
0.70
400
1.20
1.50
980
30
1250
300
900
2000
PLE-F5
6.3
1500
0.60
600
0.90
1.50
1150
30
1400
325
1000
2200
PLE-G5
10
2400
0.60
900
0.60
1.50
1300
40
1500
350
1050
2300

选型注意:
由于结构特点,一定要注意工件重心离工作台中心的距离,不能超出回转输出扭矩。

上一页:平台式焊接操作机
下一页:防窜焊接滚轮架
    
 
|
|
|
|
    Copyright 2012 无锡市昊睿传动机械有限公司